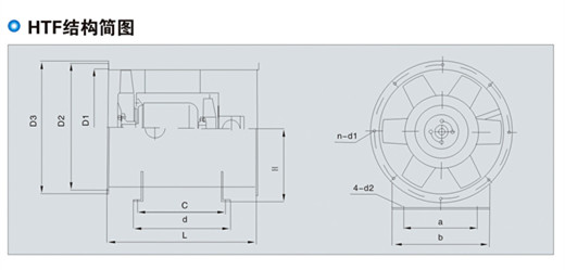
首页>>产品展示>>工程风机系列>>HTF消防高温排烟专用风机
>>
台州圣洋机电有限公司
电话: 0576-86635111
传真: 0576-86632636
邮箱: 1210758111@qq.com
手机: 13706562203
地址: 浙江省温岭市上马工业区
上一条: HTFC型消防通风两用低噪声柜式离心通风机
下一条: SWF型混流式通风机